Los E30 y sus cuadros de instrumentos...
-
curritel
- NUEVO AMIGO

- Mensajes: 4
- Registrado: Vie 25 Abr, 2025 13:24
Re: Los E30 y sus cuadros de instrumentos...
Buenos dias, ¿alguno de los foristas tendra una foto donde se vean las dos resistencias que van al lado del potenciometro en la placa del velocimetro del Motometer? Se me han chamuscado y no se de que valor deberian ser.
-
325rally
- MODERADOR

- Mensajes: 11827
- Registrado: Jue 26 May, 2011 08:48
- Ubicación: Cerdanyola (la petita Cerdanya), Barcelona
Re: Los E30 y sus cuadros de instrumentos...
¿Has mirado en Lecciones avanzdas?, creo que hay muchas fotografías.
Recordad, siempre poned fotogrfías de lo que pedís, para facilitarnos el trabajo.
Saludos.
Recordad, siempre poned fotogrfías de lo que pedís, para facilitarnos el trabajo.
Saludos.
RALLY COSTA BRAVA FIA EN IMÁGENES; DESDE 1959: http://www.rtve.es/television/20141001/ ... html#kmnts
Visita mi principal Canal YouTube
Visita mi otro Canal YouTube

Visita mi principal Canal YouTube
Visita mi otro Canal YouTube

-
curritel
- NUEVO AMIGO

- Mensajes: 4
- Registrado: Vie 25 Abr, 2025 13:24
Re: Los E30 y sus cuadros de instrumentos...
https://i.postimg.cc/ryHhJNWj/Velocimet ... emadas.jpg
https://i.postimg.cc/Tw2qcpCn/1749635818887.jpg
A ver si las imagenes se ven, las resistencia estan justo detras del potenciometro marron.

https://i.postimg.cc/Tw2qcpCn/1749635818887.jpg
A ver si las imagenes se ven, las resistencia estan justo detras del potenciometro marron.

-
325rally
- MODERADOR

- Mensajes: 11827
- Registrado: Jue 26 May, 2011 08:48
- Ubicación: Cerdanyola (la petita Cerdanya), Barcelona
Re: Los E30 y sus cuadros de instrumentos...
¿Has mirado en Lecciones Avanzadas?, hay diverso material al respecto. Te adjunto algunas fotografías de la placa de mi "speedometer", que por lo que veo es diferente al tuyo:








RALLY COSTA BRAVA FIA EN IMÁGENES; DESDE 1959: http://www.rtve.es/television/20141001/ ... html#kmnts
Visita mi principal Canal YouTube
Visita mi otro Canal YouTube

Visita mi principal Canal YouTube
Visita mi otro Canal YouTube

-
curritel
- NUEVO AMIGO

- Mensajes: 4
- Registrado: Vie 25 Abr, 2025 13:24
Re: Los E30 y sus cuadros de instrumentos...
Buenas noches o días, depende, creo que esta solucionado, he revisado casi por completo todo lo que había en lecciones avanzadas y si bien no encontré ninguna foto clara de las resistencias si encontre alguna que me dio pistas sobre cual era cual, los valores medí las viejas y cruce los dedos para que no tuviesen muy alterado su valor real. Tuve que recontruir con cable una parte de las pistas de cobre que se volatilizaron con el calenton. Cuando pueda subo un par de fotos, no me ha quedado artistico pero hace su funcion.
-
325rally
- MODERADOR

- Mensajes: 11827
- Registrado: Jue 26 May, 2011 08:48
- Ubicación: Cerdanyola (la petita Cerdanya), Barcelona
Re: Los E30 y sus cuadros de instrumentos...
Perfecto. Pon también la imagen de la placa con los valores de ls resistencias.
Sobre todo, los valores de las resistencias tienen un margen de error, y viene marcado en los colores de la resistencia, plata o oro, 10% o 5%. Hay que tenerlo muy en cuenta.
Sobre todo, los valores de las resistencias tienen un margen de error, y viene marcado en los colores de la resistencia, plata o oro, 10% o 5%. Hay que tenerlo muy en cuenta.
RALLY COSTA BRAVA FIA EN IMÁGENES; DESDE 1959: http://www.rtve.es/television/20141001/ ... html#kmnts
Visita mi principal Canal YouTube
Visita mi otro Canal YouTube

Visita mi principal Canal YouTube
Visita mi otro Canal YouTube

-
josegonzalez
- NUEVO AMIGO

- Mensajes: 39
- Registrado: Mar 07 Dic, 2010 00:46
- Ubicación: Vigo
Re: Los E30 y sus cuadros de instrumentos...
Buenas amigos, estoy reparándole el cuadro de un amigo, le he cambiado los piñones y hasta ahí todo perfecto, el caso es que lo he montado en su sitio y el cuentakilómetros sigue sin funcionar. ya lo he vuelto a desmontar y he revisado todo y no le veo ningún error por mi parte.
He leído por el foro algo de si problema de las pilas, pero si no me equivoco la placa donde van las pilas es la de servicio, no debería de afectarle al cuentakilómetros, es mi opinión eh.
También he visto que a algún compi le fallaba algún cable del diferencial, pero si pasa eso tampoco marcaria el velocímetro, no? A mi me funciona perfectamente el velocímetro.
Alguien sabe si hay algún esquema eléctrico de esa parte del cuadro, sería muy fácil si tenemos algo así comprobar solo esa parte, lo alimentamos y comprobamos que el problema venga de la placa o mas atrás.






He leído por el foro algo de si problema de las pilas, pero si no me equivoco la placa donde van las pilas es la de servicio, no debería de afectarle al cuentakilómetros, es mi opinión eh.
También he visto que a algún compi le fallaba algún cable del diferencial, pero si pasa eso tampoco marcaria el velocímetro, no? A mi me funciona perfectamente el velocímetro.
Alguien sabe si hay algún esquema eléctrico de esa parte del cuadro, sería muy fácil si tenemos algo así comprobar solo esa parte, lo alimentamos y comprobamos que el problema venga de la placa o mas atrás.






-
325rally
- MODERADOR

- Mensajes: 11827
- Registrado: Jue 26 May, 2011 08:48
- Ubicación: Cerdanyola (la petita Cerdanya), Barcelona
Re: Los E30 y sus cuadros de instrumentos...
Hola José,
comentarte en primer lugar que, aunque llevas años con nosotros en el foro, no encuentro tu presentación.
Quiero aconsejarte cambiar las pilas de la placa de intervalos, porque si son originales, no les faltará mucho para dejar ir ácido, que te destrozará la placa base. Y a lo que se refiere al cuenta quilómetros, preguntarte si los piñones giran con suavidad con la mano y si ves que ese giro se transmita a los números, en este caso podrás ver cómo gira el de los hectómetros. Recordarte también, que de este tema hay mucho publicado, que no aprietes mucho la tapa de los piñones, porque si lo haces, la tapa presiona los piñones y éstos no pueden girar libremente.
Personalmente, dudo que se trate de un problema electrónico de la placa. Aún así, ¿de qué esquema electrico hablas?, se por favor más conciso.
Saludos
comentarte en primer lugar que, aunque llevas años con nosotros en el foro, no encuentro tu presentación.
Quiero aconsejarte cambiar las pilas de la placa de intervalos, porque si son originales, no les faltará mucho para dejar ir ácido, que te destrozará la placa base. Y a lo que se refiere al cuenta quilómetros, preguntarte si los piñones giran con suavidad con la mano y si ves que ese giro se transmita a los números, en este caso podrás ver cómo gira el de los hectómetros. Recordarte también, que de este tema hay mucho publicado, que no aprietes mucho la tapa de los piñones, porque si lo haces, la tapa presiona los piñones y éstos no pueden girar libremente.
Personalmente, dudo que se trate de un problema electrónico de la placa. Aún así, ¿de qué esquema electrico hablas?, se por favor más conciso.
Saludos
RALLY COSTA BRAVA FIA EN IMÁGENES; DESDE 1959: http://www.rtve.es/television/20141001/ ... html#kmnts
Visita mi principal Canal YouTube
Visita mi otro Canal YouTube

Visita mi principal Canal YouTube
Visita mi otro Canal YouTube

-
josegonzalez
- NUEVO AMIGO

- Mensajes: 39
- Registrado: Mar 07 Dic, 2010 00:46
- Ubicación: Vigo
Re: Los E30 y sus cuadros de instrumentos...
Buenas amigo, gracias por tu respuesta. Ahora mismo con la tapa de los piñones montada si le doy a girar un poco con el dedo al piñon pequiñito se mueven perfectamente todos los piñones y giran los números.325rally escribió: ↑Vie 12 Dic, 2025 17:55 Hola José,
comentarte en primer lugar que, aunque llevas años con nosotros en el foro, no encuentro tu presentación.
Quiero aconsejarte cambiar las pilas de la placa de intervalos, porque si son originales, no les faltará mucho para dejar ir ácido, que te destrozará la placa base. Y a lo que se refiere al cuenta quilómetros, preguntarte si los piñones giran con suavidad con la mano y si ves que ese giro se transmita a los números, en este caso podrás ver cómo gira el de los hectómetros. Recordarte también, que de este tema hay mucho publicado, que no aprietes mucho la tapa de los piñones, porque si lo haces, la tapa presiona los piñones y éstos no pueden girar libremente.
Personalmente, dudo que se trate de un problema electrónico de la placa. Aún así, ¿de qué esquema electrico hablas?, se por favor más conciso.
Saludos![]()
La tapa ya la he aflojado un poco y nada.
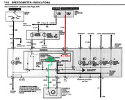
Respecto al plano eléctrico me refería a que estaría bien tener algo con lo que saber cómo alimentar los pines del reloj para comprobarlo.
Si ves esta foto, se ven los pines ahí y en la placa pone algo de que son, a eso me refiero.
Me imagino que si la alimentas con 12v y masa igual se podría comprobar el motor de los piñones y toda la placa

-
325rally
- MODERADOR

- Mensajes: 11827
- Registrado: Jue 26 May, 2011 08:48
- Ubicación: Cerdanyola (la petita Cerdanya), Barcelona
Re: Los E30 y sus cuadros de instrumentos...
El esquema eléctrico lo tienes un poco más arriba; 6 mensajes antes. Aunque es muy simple, a nivel de diagrama de bloques. Tocará seguir las pistas de circuito impreso.
Otra cosa, la placa de intervalos de mantenimiento puede influir en el cuenta quilómetros. Déjalo todo en perfecto orden de funcionamiento.
Y si los piñones giran correctamente y mueves las cifras, probablemente haya una resistencia cortada, la anterior a la bobina inductora.
Y no te olvides de hacer tu presentación con fotos del coche, que nos gusta conocer el parque automovilístico Etreintero.
Saludos
Otra cosa, la placa de intervalos de mantenimiento puede influir en el cuenta quilómetros. Déjalo todo en perfecto orden de funcionamiento.
Y si los piñones giran correctamente y mueves las cifras, probablemente haya una resistencia cortada, la anterior a la bobina inductora.
Y no te olvides de hacer tu presentación con fotos del coche, que nos gusta conocer el parque automovilístico Etreintero.
Saludos
RALLY COSTA BRAVA FIA EN IMÁGENES; DESDE 1959: http://www.rtve.es/television/20141001/ ... html#kmnts
Visita mi principal Canal YouTube
Visita mi otro Canal YouTube

Visita mi principal Canal YouTube
Visita mi otro Canal YouTube

-
josegonzalez
- NUEVO AMIGO

- Mensajes: 39
- Registrado: Mar 07 Dic, 2010 00:46
- Ubicación: Vigo
Re: Los E30 y sus cuadros de instrumentos...
Gracias amigo325rally escribió: ↑Sab 13 Dic, 2025 03:05 El esquema eléctrico lo tienes un poco más arriba; 6 mensajes antes. Aunque es muy simple, a nivel de diagrama de bloques. Tocará seguir las pistas de circuito impreso.
Otra cosa, la placa de intervalos de mantenimiento puede influir en el cuenta quilómetros. Déjalo todo en perfecto orden de funcionamiento.
Y si los piñones giran correctamente y mueves las cifras, probablemente haya una resistencia cortada, la anterior a la bobina inductora.
Y no te olvides de hacer tu presentación con fotos del coche, que nos gusta conocer el parque automovilístico Etreintero.
Saludos![]()
-
325rally
- MODERADOR

- Mensajes: 11827
- Registrado: Jue 26 May, 2011 08:48
- Ubicación: Cerdanyola (la petita Cerdanya), Barcelona
Re: Los E30 y sus cuadros de instrumentos...
Hola, me he encontrado en 2 placas del velocímetro el condensador rojo que está situado al lado del chip, con soldadura fría. No se veía muy bien pero si movía el condensador se veía perfectamente el cable del condensador suelto en el punto de soldadura.
A la que pueda probaré la placa en el coche y os cuento.
A la que pueda probaré la placa en el coche y os cuento.
RALLY COSTA BRAVA FIA EN IMÁGENES; DESDE 1959: http://www.rtve.es/television/20141001/ ... html#kmnts
Visita mi principal Canal YouTube
Visita mi otro Canal YouTube

Visita mi principal Canal YouTube
Visita mi otro Canal YouTube
